

لیمیت سوئیچ فشاری بدون قرقره طرح امرن تیپ سنگین سی ان تی دی CNTD مدل CWLD
تعداد کنتاکت ها
1NO+1NC
قابلیت تنظیم
ندارد
نوع لیمیت سوئیچ
فشاری
وزن
100 گرم
درجه حفاظت
IP66
لیمیت سوئیچ دو مداره (Double-circuit type of limit switch)
- استحکام مکانیکی بالا: عمدتاً از جنس آلومینیوم ریختهگری شده ساخته شده است.
- ساختار مقاوم در برابر آب و روغن: طراحی شده برای شرایط سخت و محیطهای صنعتی.
- عملگرهای متنوع برای کاربردهای مختلف: دارای انواع عملگرها برای انطباق با نیازهای متفاوت.
- جعبه کنتاکت داخلی با مکانیزم فنر دوگانه: عمر مکانیکی طولانیتر و عملکرد مطمئنتر.
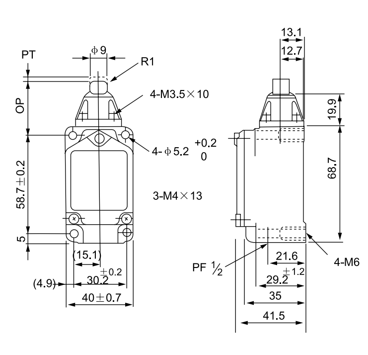
ابعاد:

مشخصات فنی:
| سرعت عملکرد | 1mm-1m/s |
| فرکانس کاری | الکتریکی: 30 عملیات در دقیقه |
| مقاومت تماسی | حداکثر 25mΩ (مقدار اولیه) |
| مقاومت عایق | 100mΩ دقیقه (زیر 500VDC) |
| قدرت دی الکتریک | 1500 ولت متناوب 50/60 هرتز به مدت 1 دقیقه بین پایانه های با همان قطبیت |
| 1500 ولت متناوب 50/60 هرتز به مدت 1 دقیقه بین قطعات فلزی دارای جریان و غیرحامل جریان | |
| 1500 ولت متناوب 50/60 هرتز به مدت 1 دقیقه بین هر ترمینال و زمین | |
| لرزش | 10-55 هرتز، 1.5 میلی متر دامنه دوگانه |
| شوک |
دوام مکانیکی: 1000 متر/ثانیه (حدود 100 گرم) خرابی: 300 متر/ثانیه (حدود 30G'S) |
| دمای محیط | از منفی 20 تا مثبت 80 درجه بدون یخ زدگی |
| رطوبت | <95% RH |
| عمر الکتریکی | بالای 500,000 عملیات |
| درجه حفاظت | IP66 |
| کنتاکت ها | دارای یک کنتاکت باز و یک کنتاکت بسته 1NO+1NC |
یادداشتها:
سایز پیشفرض کانکتور کانداکت (conduit connector) M20x1.5 است و کانکتور کابل تجهیزات (outfitting cable connector) نیز به همین اندازه است. سایز کانکتور کانداکت PG13.5 است و با اضافه کردن (-P) به شماره مدل محصول مشخص میشود. به عنوان مثال: CWLCA2-2-P.
جریان نامی:
|
ولتاژ نامی |
بار غیرالقایی (A) |
بار القایی (A) |
||||||
|
بار مقاومتی |
بار لامپ |
بار القایی |
بار موتور |
|||||
|
NC |
NO |
NC |
NO |
NC |
NO |
NC |
NO |
|
|
125VAC |
10 |
3 |
1.5 |
10 |
5 |
2.0 |
||
|
250VAC |
5 |
2 |
1 |
5 |
3 |
1.0 |
||
|
480VAC |
3 |
1.5 |
0.8 |
3 |
1.5 |
0.8 |
||
|
600VAC |
1 |
1 |
0.5 |
1.5 |
1 |
0.5 |
||
|
8VDC |
10 |
6 |
3 |
10 |
6 |
|||
|
14VDC |
10 |
6 |
3 |
10 |
6 |
|||
|
30VDC |
6 |
4 |
3 |
6 |
4 |
|||
|
125VDC |
0.8 |
0.2 |
0.2 |
0.8 |
0.2 |
|||
|
250VDC |
0.4 |
0.1 |
0.1 |
0.4 |
0.1 |
|||
یادداشتها:
1. بار القایی (Inductive load) دارای ضریب توان (power factor) حداقل ۰.۴ (برای جریان متناوب AC) و ثابت زمانی (time constant) حداکثر ۷ میلیثانیه (برای جریان مستقیم DC) است.
2. بار لامپ (Lamp load) دارای جریان هجومی (inrush current) معادل ۱۰ برابر جریان حالت پایدار (steady-state current) است، در حالی که بار موتور (Motor load) دارای جریان هجومی معادل ۶ برابر جریان حالت پایدار است.
3. برای محصولاتی که دارای فنر هستند، محدوده قابل استفاده قسمت عملکننده (operating part) در یکسوم طول کل فنر از انتهای جلویی آن قرار دارد.